Published:2009/7/14 23:53:00 Author:Jessie | From:SeekIC

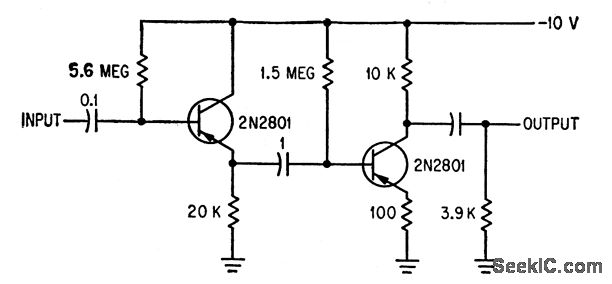
Power gain is 44 db, input impedance 440,000 ohms, and hum and noise 57 db down for 3-db frequency response of 20 to 100,000 cps.-L. E. Clark,E. B. Mack, and R. C. Heihall, High-lights of Small-Signal Circuit Design,Electronics, 36:49, p 46-50.
Reprinted Url Of This Article:
http://www.seekic.com/circuit_diagram/Amplifier_Circuit/LOW_NOISE_AUDIO_AMPLIFIER.html
Print this Page | Comments | Reading(3)
Code: