Published:2009/7/16 2:36:00 Author:Jessie | From:SeekIC

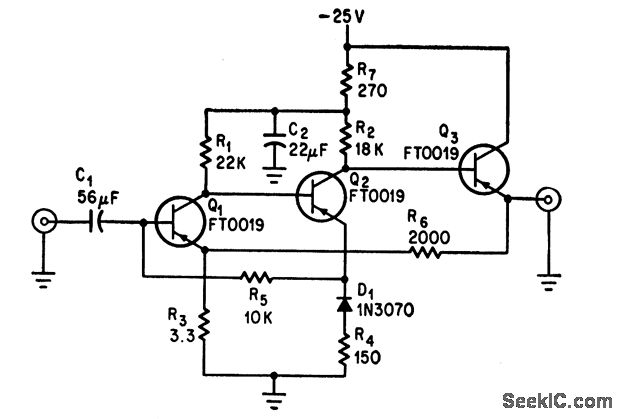
Can provide impedances as low as 2 ohms and low noise figure, to take advantage of superior noise performance of backward diodes as mixers and detectors while overcoming their very low impedance at intermediate frequencies in range from 1 kc to 100 kc. Used in continuous-wave doppler radar systems.-R. O. Wright, New Twist for Backward Diode: Help from Low-Noise Amplifier, Electronics, 39:14, p 74-77.
Reprinted Url Of This Article:
http://www.seekic.com/circuit_diagram/Amplifier_Circuit/LOW_OUTPUT_IMPEDANCE_I_F.html
Print this Page | Comments | Reading(3)
Code: