Published:2009/7/7 3:47:00 Author:May | From:SeekIC

Reprinted Url Of This Article:
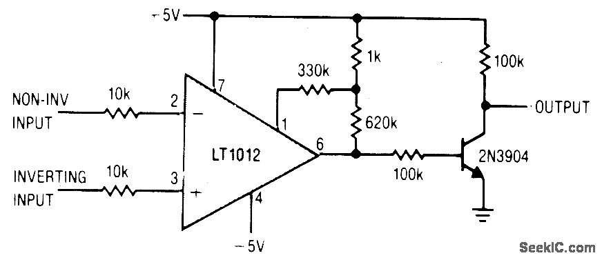
http://www.seekic.com/circuit_diagram/Amplifier_Circuit/LOW_POWER_COMPARATOR_WITH_LESS_THAN_10_μV_HYSTERESIS.html
Print this Page | Comments | Reading(3)
Code: