Published:2011/4/2 4:06:00 Author:may | Keyword: Logarithmic amplification | From:SeekIC

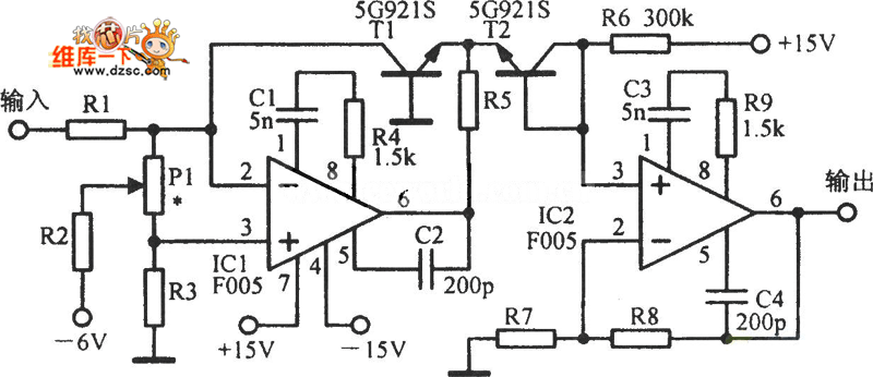
Logarithmic amplification is show in the following picture:
Reprinted Url Of This Article:
http://www.seekic.com/circuit_diagram/Amplifier_Circuit/Logarithmic_amplification_circuit.html
Print this Page | Comments | Reading(3)
Code: