Published:2009/7/17 2:55:00 Author:Jessie | From:SeekIC

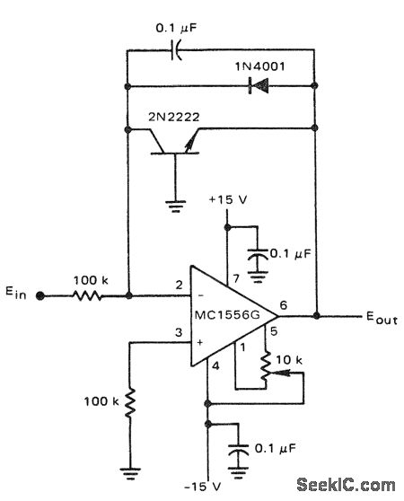
Logarithmic amplifier using anMC1556 op amp. The 10K pot is an offset adjustment (courtesy Motorola Semiconductor Products Inc.).
Reprinted Url Of This Article:
http://www.seekic.com/circuit_diagram/Amplifier_Circuit/Logarithmic_amplifier_using_an_MC1556_op_amp.html
Print this Page | Comments | Reading(3)
Code: