Published:2009/7/17 2:56:00 Author:Jessie | From:SeekIC

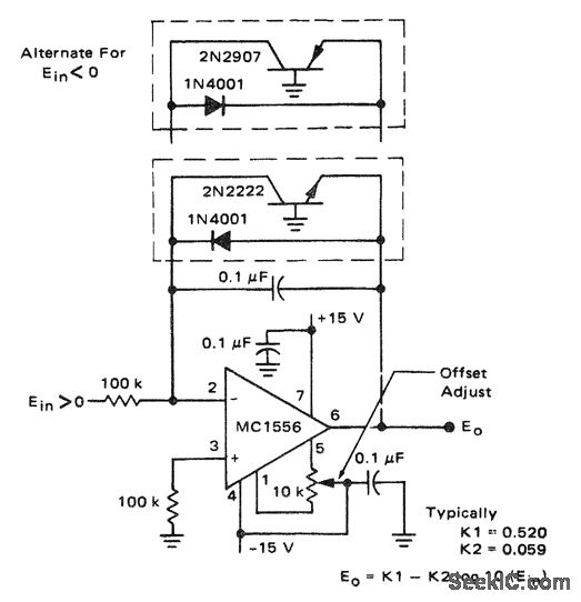
Logarithmic amplifier using an MC1556 op amp (courtesy Motorola Semiconductor Products Inc.).
Reprinted Url Of This Article:
http://www.seekic.com/circuit_diagram/Amplifier_Circuit/Logarithmic_amplifier_using_an_MC1556_op_amp_1.html
Print this Page | Comments | Reading(3)
Code: