Published:2009/7/24 5:07:00 Author:Jessie | From:SeekIC

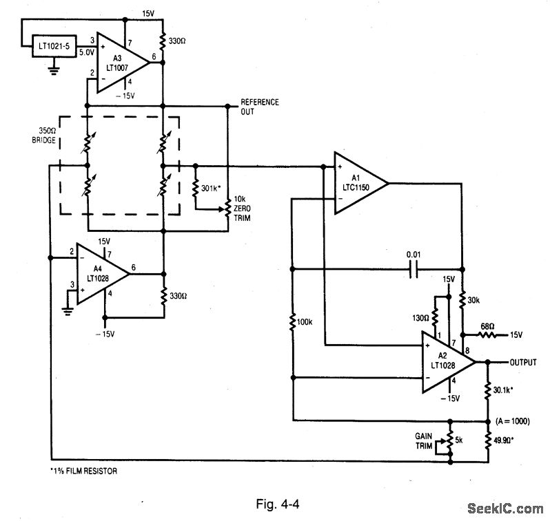
Figure 4-4 shows a circuit that is similar to that of Fig. 4-3, except that A1 is chopper stabilized. This reduces the offset error even further. A1 measures the dc error at the A2 inputs and biases the A1 offset pins to force an offset of a few microvolts. The offset-pin bias at A2 is arranged so that A1 will always be able to find the servo point.The 0.01-μF capacitor rolls off A1 at low frequencies, with A2 handling the high-frequency signals. Returning the A2 feedback string to the bridge midpoint eliminates the A4 offset contribution. If this was not done, A4 would require a similar offset-correction loop. The circuit has a drift of less than 0.05-μV/℃, 1-nV/Hz noise, and CMRR exceeding 160 dB. LINEAR TECHNOLOGY, APPLICATION Nom 43, P. 6.
Reprinted Url Of This Article:
http://www.seekic.com/circuit_diagram/Amplifier_Circuit/Low_noise_chopper_stabilized_bridge_amplifier.html
Print this Page | Comments | Reading(3)
Code: