Published:2009/7/20 3:21:00 Author:Jessie | From:SeekIC

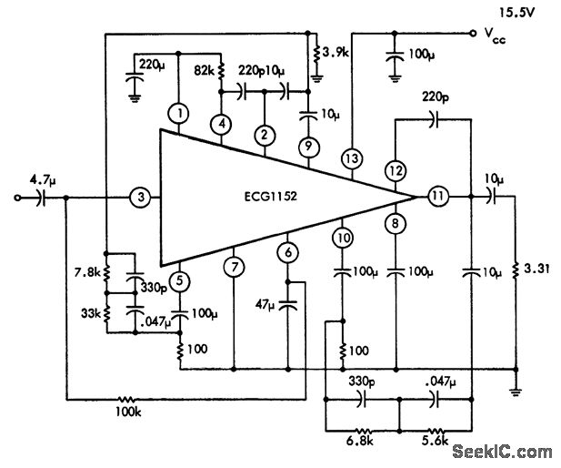
Low-noise preamplifier using an ECG1152 13-pin module. The ECG1152 is a dual two-stage direct-coupled amplifier. Typical voltage gain is 75 dB. Input resistance is 50K (courtesy GTE Sylvania Incorporated).
Reprinted Url Of This Article:
http://www.seekic.com/circuit_diagram/Amplifier_Circuit/Low_noise_preamplifier_using_an_ECG1152_13_pin_module.html
Print this Page | Comments | Reading(3)
Code: