Published:2011/7/1 1:14:00 Author:TaoXi | Keyword: Low power consumption, program-controlled, gain, amplifier circuit | From:SeekIC

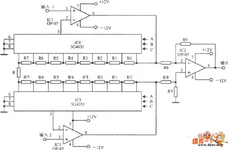
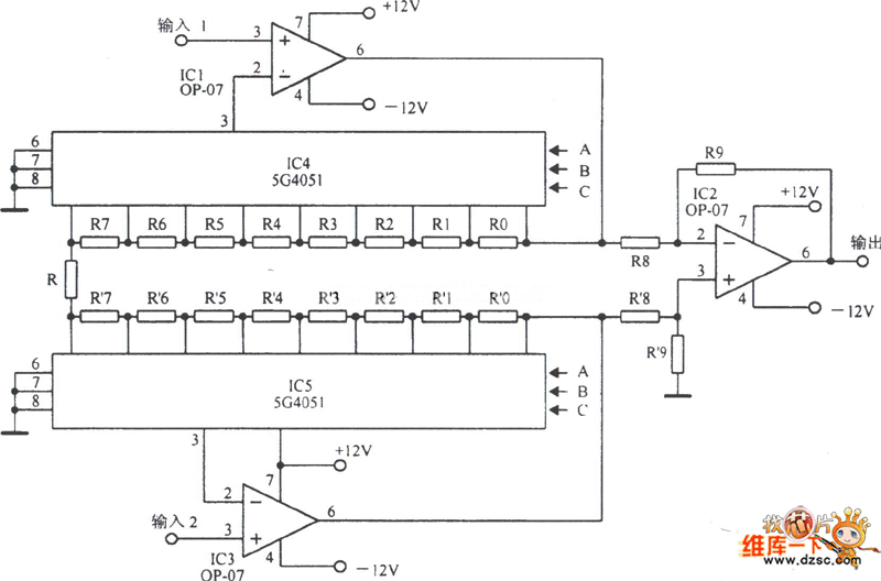
The Low power consumption program-controlled gain amplifier circuit is as shown in the figure:
Reprinted Url Of This Article:
http://www.seekic.com/circuit_diagram/Amplifier_Circuit/Low_power_consumption_program_controlled_gain_amplifier_circuit.html
Print this Page | Comments | Reading(3)
Code: