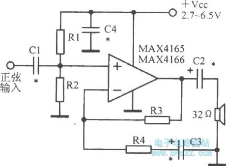
Published:2011/12/6 20:47:00 Author:Ecco | Keyword: Low-power , single-supply , input and output, operational amplifier | From:SeekIC

Reprinted Url Of This Article:
http://www.seekic.com/circuit_diagram/Amplifier_Circuit/Low_power_single_supply_input_and_output_operational_amplifier_circuit.html
Print this Page | Comments | Reading(3)
Code: