Published:2009/7/23 22:56:00 Author:Jessie | From:SeekIC

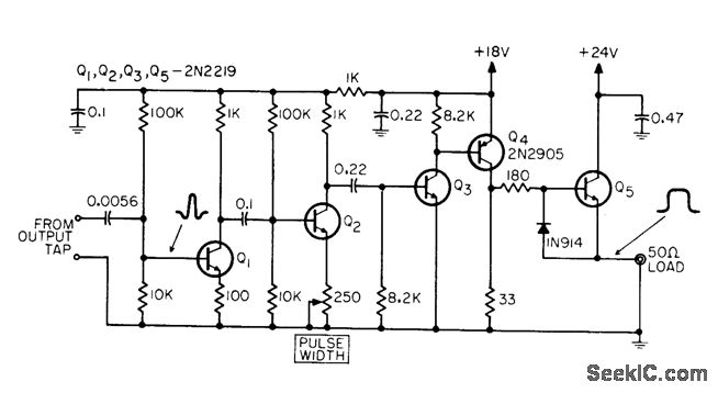
Used to reshape output signal of delay line used as 12-event serializer. Q3 clips two negative peaks of signal and Q4 fattens pulse. Pulse width control adjusts gain of Q2 to vary pulse width.-R. P. Rufer, How to Measure Simultaneous Events with Magneto-strictive Delay Lines, EEE, 14:5, p 44-49.
Reprinted Url Of This Article:
http://www.seekic.com/circuit_diagram/Amplifier_Circuit/MAGNETOSTRICTIVE_DELAY_LINE_AMPLIFIER.html
Print this Page | Comments | Reading(3)
Code: