Published:2011/8/14 21:38:00 Author:Ecco | Keyword: high-efficient, Class-D audio amplifier | From:SeekIC







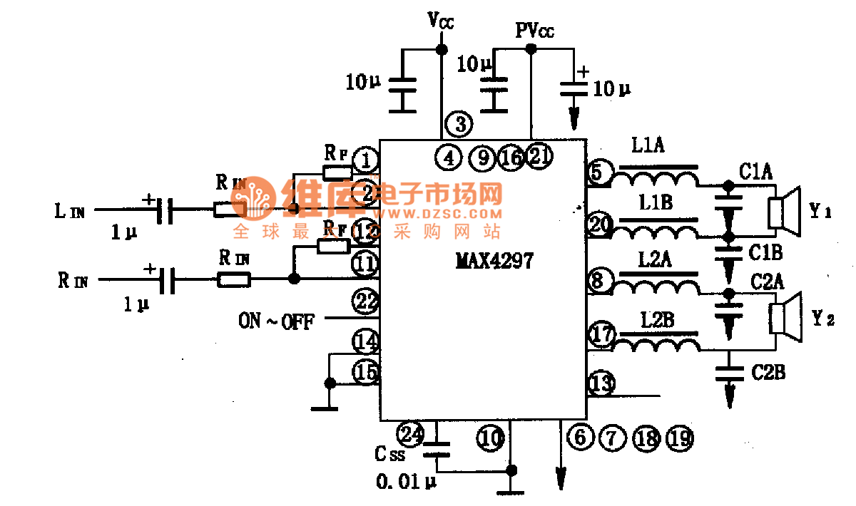
MAX4295 and MAX4297 are the latest switching (D class) audio amplifiers produced by U.S. MAXIM (Maxim), and it is widely used in pronunciation electronic products, such as walkman notebook computers, music cards, mobile phones and other battery-powered electrical products, and you can maximize battery life. 1. The internal block diagram and pin functions The MAX4295 is a mono amplifier, MAX4295 is the dual-channel amplifier. It is composed of the voltage reference, input buffer amplifier, oscillator, PWM modulator, power driver and MOSFET and other components.
Reprinted Url Of This Article:
http://www.seekic.com/circuit_diagram/Amplifier_Circuit/MAX4295_MAX4297_high_efficient_Class_D_audio_amplifier_circuit_diagram.html
Print this Page | Comments | Reading(3)
Code: