Published:2011/5/26 1:15:00 Author:Christina | Keyword: low power consumption, RF transceiver | From:SeekIC

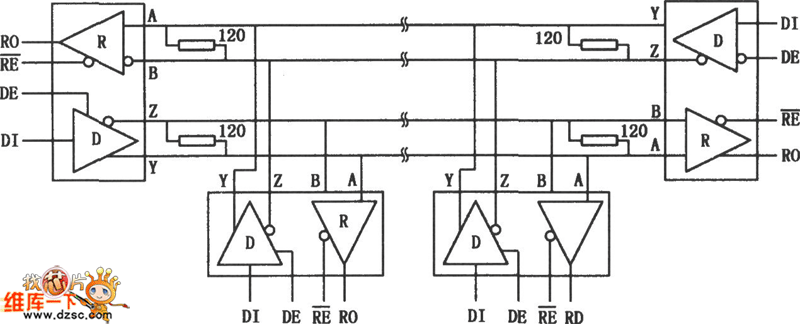
The MAX489/491 is designed as one kind of low power consumption RF transceiver that can be used in the RS-485 and RS-422 standard communications, it has the short-circuit current limiting function. The driver part's output port is in the high impedance state when it gets into the hot standby state, so it can prevent the overload of load; the receiver part's input port has the safety function to prevent the opening circuit, and it can undertake full-duplex communication. The MAX489/491 uses the conversion rate driver to minimize the electromagnetic interference, and it also has the inhibiting effect to the reflection which is caused by the not appropriate port-connection of the cables, so there is no error when it is transmitting the data in the high speed of 250Kb/s, the driver's highest changing rate can reach 2.5 Mb/s, so it can be used in the industrial automatic control data transmission application.
Reprinted Url Of This Article:
http://www.seekic.com/circuit_diagram/Amplifier_Circuit/MAX489_491_low_power_consumption_RF_transceiver_circuit.html
Print this Page | Comments | Reading(3)
Code: