Published:2009/7/12 20:41:00 Author:May | From:SeekIC

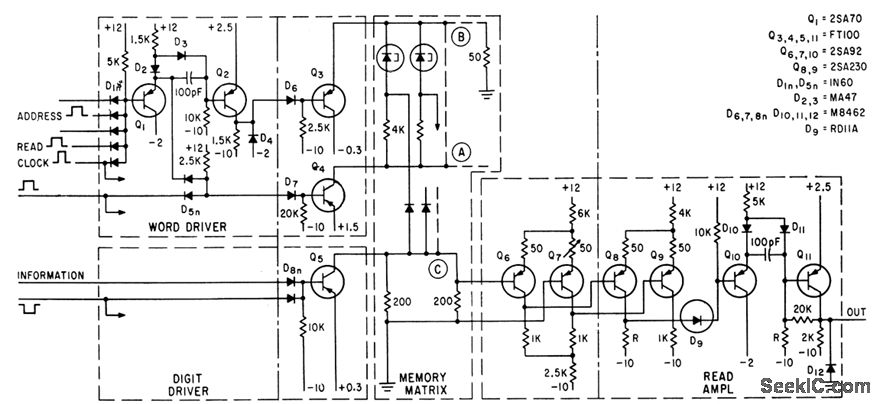
Used with tunnel-diode memory operating 5 Mc.-S. Takahashi and O. Ishii, High-Speed Memory Uses Tunnel Diode Circuit, Electronics,34:42, p66-68.
Reprinted Url Of This Article:
http://www.seekic.com/circuit_diagram/Amplifier_Circuit/MEMORY_DRIVER_AND_READOUT_AMPLIFIER.html
Print this Page | Comments | Reading(3)
Code: