Published:2009/6/24 22:04:00 Author:May | From:SeekIC

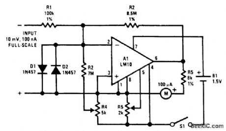
Art LM10 is used as a meter amplifier. Accuracy can be maintained over a 15℃ to 55℃ range for a full-scale sensitivity of 10 mV and 100 nA. The offset voltage error is nulled with R5, and the bias current can be balanced out with R4. The zeroing circuits operate from the reference output and are essentially unaffected by changes in battery voltage, so frequent adjustments should not be neces-sary. Total current drain is under 0.5 mA, giving an approximate life of 3 to 6 months with an AA cell and over a year with a D cell. With these lifetimes, an ON/OFF switch might be unnecessary. A test switch that converts to a battery-test mode might be of greater value.
Reprinted Url Of This Article:
http://www.seekic.com/circuit_diagram/Amplifier_Circuit/METER_AMPLIFIER_FOR_15_V_SUPPLY.html
Print this Page | Comments | Reading(3)
Code: