Published:2009/6/28 23:42:00 Author:May | From:SeekIC

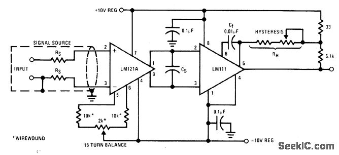
Combination of National LM121A preamp and LM111 comparator serves for comparing DC signal levels that are only within microvolts of each other. With bias network shown, preamp has open-loop temperature-stable voltage gain close to 100.Separation of preamp from comparator chip minimizes effects of temperature variations.Circuit hysteresis is 5 μV, which under certain conditions can be trimmed to 1 μV.— Linear Applications, Vol. 2, National Semiconductor, Santa Clara, CA, 1976, LB-32.
Reprinted Url Of This Article:
http://www.seekic.com/circuit_diagram/Amplifier_Circuit/MICROVOLT_COMPARATOR.html
Print this Page | Comments | Reading(3)
Code: