Published:2009/7/16 2:58:00 Author:Jessie | From:SeekIC

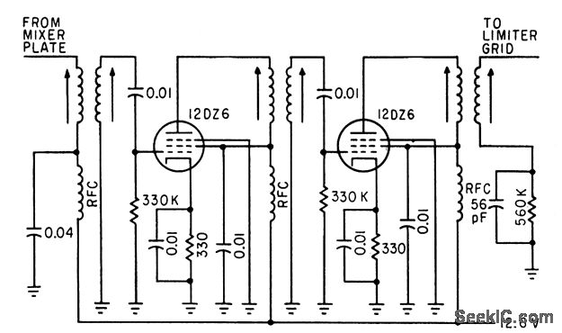
Two 455-kc i-f stages provide gain of 20 per stage and average band-width of 12 kc.-C. Gonzalez and R. J. Nelson, Design of Mobile Receivers with Low-Plate-Potential Tubes, Electronics, 33:34, p62-65.
Reprinted Url Of This Article:
http://www.seekic.com/circuit_diagram/Amplifier_Circuit/MOBILE_I_F.html
Print this Page | Comments | Reading(3)
Code: