Published:2009/7/14 21:52:00 Author:Jessie | From:SeekIC

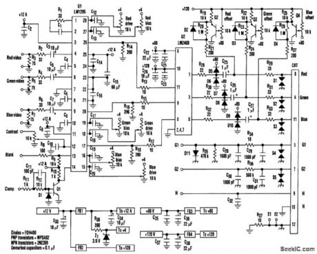
This circuit uses a preamplifier and a video driver IC The monitor video amplifier will affect all aspects of future computer monitors,including higher-resolution pictures and faster video speeds,Such an amplifier is usually split into a preamplifier section and a CRT driver section
Reprinted Url Of This Article:
http://www.seekic.com/circuit_diagram/Amplifier_Circuit/MONITOR_VIDEO_AMPLIFIER.html
Print this Page | Comments | Reading(3)
Code: