Published:2009/6/15 2:54:00 Author:May | From:SeekIC

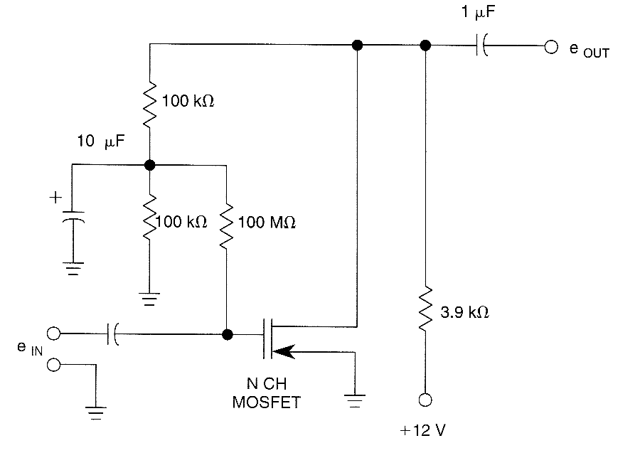
High-impedance biasing method for an N-channel MOSFET to form a linear-inverting amplifier.
Reprinted Url Of This Article:
http://www.seekic.com/circuit_diagram/Amplifier_Circuit/MOSFET_HIGH_IMPEDANCE_BIASING_METHOD.html
Print this Page | Comments | Reading(3)
Code: