Published:2009/6/18 22:40:00 Author:May | From:SeekIC

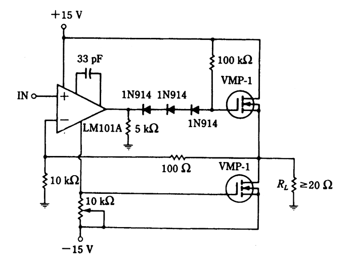
This amplifier can be used for audio or as a driver for inverter service.
Reprinted Url Of This Article:
http://www.seekic.com/circuit_diagram/Amplifier_Circuit/MOSFET_PUSH_PULL_AMPLIFIER.html
Print this Page | Comments | Reading(3)
Code: