Published:2011/7/9 3:41:00 Author:chopper | Keyword: MOSFET, drive circuit | From:SeekIC

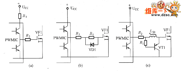
MOSFET drive circuit is shown as picture
Reprinted Url Of This Article:
http://www.seekic.com/circuit_diagram/Amplifier_Circuit/MOSFET_drive_circuit.html
Print this Page | Comments | Reading(3)
Code: