Published:2011/4/11 4:14:00 Author:Rebekka | Keyword: passive matrix drive | From:SeekIC

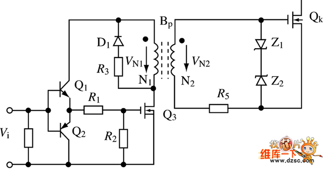
MOS passive matrix drive circuit diagram is shown as below.
Reprinted Url Of This Article:
http://www.seekic.com/circuit_diagram/Amplifier_Circuit/MOS_passive_matrix_drive_circuit_diagram.html
Print this Page | Comments | Reading(3)
Code: