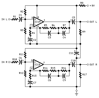
Published:2012/12/25 21:27:00 Author:muriel | Keyword: Magnetic , Pick-up, Amplifier | From:SeekIC

Reprinted Url Of This Article:
http://www.seekic.com/circuit_diagram/Amplifier_Circuit/Magnetic_Pick_up_Amplifier.html
Print this Page | Comments | Reading(3)
Code: