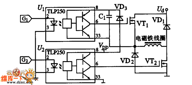
Published:2011/3/29 20:00:00 Author:Nicole | Keyword: Magnetic axis isolation drive | From:SeekIC

Reprinted Url Of This Article:
http://www.seekic.com/circuit_diagram/Amplifier_Circuit/Magnetic_axis_isolation_drive_circuit_diagram.html
Print this Page | Comments | Reading(3)
Code: