Published:2009/7/23 20:37:00 Author:Jessie | From:SeekIC

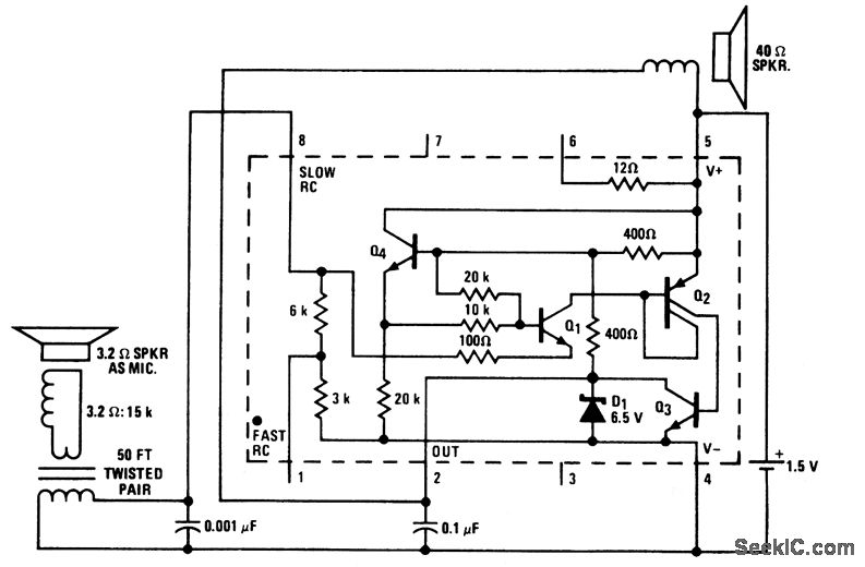
This little LM3909 audio amplifier can be operated as a one-way intercom or for listening in on various situations. Operating current is only 12 to 15 mA. The circuit can hear fairly faint sounds, and someone speaking directly into the microphone generates a full 1.4-V peak-to-peak at the speaker.
Reprinted Url Of This Article:
http://www.seekic.com/circuit_diagram/Amplifier_Circuit/Mini_power_amplifier.html
Print this Page | Comments | Reading(3)
Code: