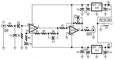
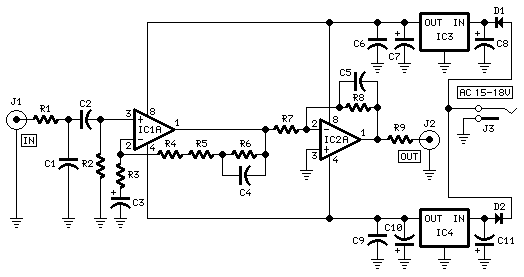
Published:2012/12/19 21:18:00 Author:muriel | Keyword: Modular Phono Preamplifier | From:SeekIC

Reprinted Url Of This Article:
http://www.seekic.com/circuit_diagram/Amplifier_Circuit/Modular_Phono_Preamplifier.html
Print this Page | Comments | Reading(3)
Code: