Published:2013/3/13 2:03:00 Author:Ecco | Keyword: Mono/Stereo Preamp | From:SeekIC

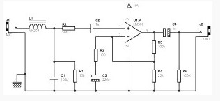
Mono Preamp (or stereo), based on an LM387 for dynamic microphone. The preamplifier described here is designed to connect a small dynamic mic. We will see that it can adapt to a wide range of microphones.
As you can see, Mono Preamp (or stereo), based on an LM387 diagram is very simple. It is based on the use of an LM387, which is really common, but has proven in the field of “low noise”, just like its cousin the LM381.
Reprinted Url Of This Article:
http://www.seekic.com/circuit_diagram/Amplifier_Circuit/Mono_Stereo_Preamp_based_on_LM387.html
Print this Page | Comments | Reading(3)
Code: