Published:2009/7/17 3:09:00 Author:Jessie | From:SeekIC

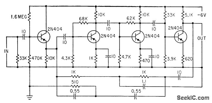
Twin-tee feedback loop tuned to modulating frequency between 60 and 400 cps is used with video crystal and chopper of low-cost c-w radar receiver. Minimum detectable level is -55 dbm.-R. Fleming, Modulation Techniques Cut Radar Cost, Electronics, 35:35, p 56-58.
Reprinted Url Of This Article:
http://www.seekic.com/circuit_diagram/Amplifier_Circuit/NARROW_BAND_RADAR_AMPLIFIER.html
Print this Page | Comments | Reading(3)
Code: