Published:2009/7/21 9:07:00 Author:Jessie | From:SeekIC

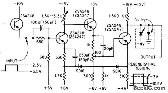
Both amplifiers are always connected to their current sources, hence are never cut off and can operate in optimum region, with no risk of damage by inverse base-emitter voltage. Output voltage alternates between two levels.-H. Inose, Y, Yoshida, and H. Tada, Noncutoff Circuits Improve Trigger Switching, Electronics, 35:30, p 36-39.
Reprinted Url Of This Article:
http://www.seekic.com/circuit_diagram/Amplifier_Circuit/NONCUTOFF_SCHMITT.html
Print this Page | Comments | Reading(3)
Code: