Published:2009/6/24 3:03:00 Author:May | From:SeekIC

Reprinted Url Of This Article:
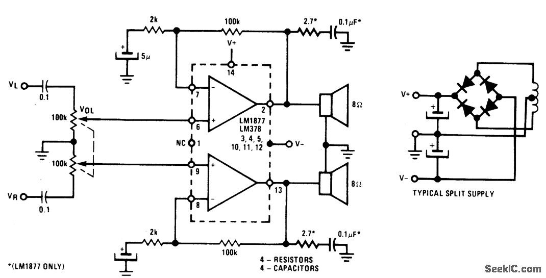
http://www.seekic.com/circuit_diagram/Amplifier_Circuit/NONINVERTING_AMPLIFIER_USING_SPLIT_SUPPLY.html
Print this Page | Comments | Reading(3)
Code: