Published:2009/7/23 21:32:00 Author:Jessie | From:SeekIC

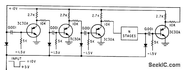
Uses modified memory circuit, in which input pulse turns off all pnpn stages except that following on stage.-J. B. Hangstefer and L.H. Dixon, Jr., Triggered Bistable Semiconductor Circuits, Electronics, 32:35, p 58-60.
Reprinted Url Of This Article:
http://www.seekic.com/circuit_diagram/Amplifier_Circuit/N_STAGE_RING_COUNTER.html
Print this Page | Comments | Reading(3)
Code: