Published:2009/7/23 22:37:00 Author:Jessie | From:SeekIC

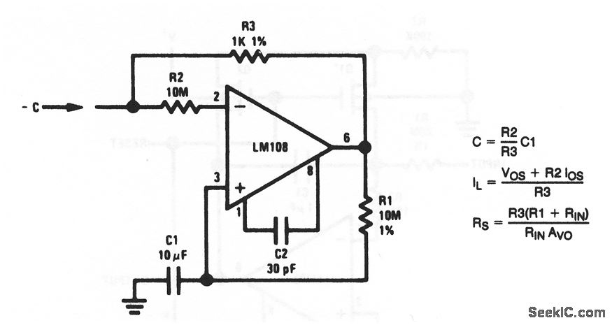
This circuit appears as a negative capacitance to the input.
Reprinted Url Of This Article:
http://www.seekic.com/circuit_diagram/Amplifier_Circuit/Negative_ca_pacitancem_ultiplier.html
Print this Page | Comments | Reading(3)
Code: