Published:2009/7/17 4:20:00 Author:Jessie | From:SeekIC

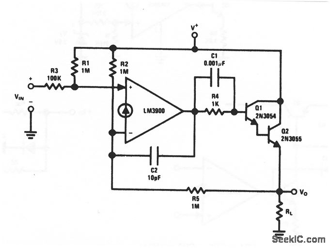
This circuit uses one section of an LM3900 and a Darlington pair to provide an output of 3 A into the load. National Semiconductor Linear Applications Handbook 1991, p 223
Reprinted Url Of This Article:
http://www.seekic.com/circuit_diagram/Amplifier_Circuit/Norton_direct_coupled_power_amplifier.html
Print this Page | Comments | Reading(3)
Code: