Published:2009/7/25 2:04:00 Author:Jessie | From:SeekIC

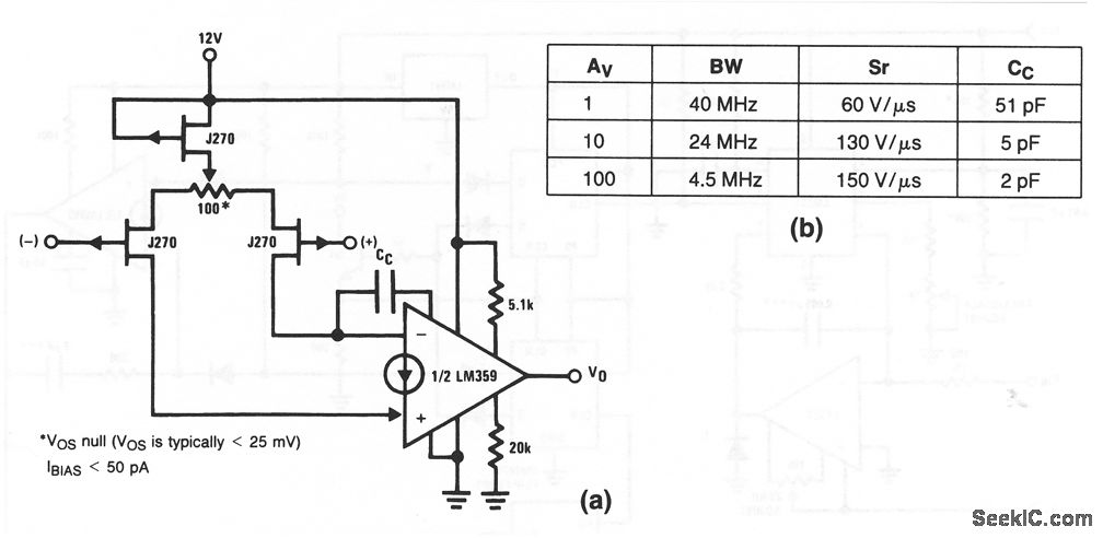
This circuit combines a Norton with a P-channel JFET to procDuce.a fast op amp. External compensation capacitance CC is required to accommodate u any additional phase shift at the input. Figure 11-21B shows circuit performance for various values of CC.
Reprinted Url Of This Article:
http://www.seekic.com/circuit_diagram/Amplifier_Circuit/Norton_fast_op_amp_with_JFET_input.html
Print this Page | Comments | Reading(3)
Code: