Published:2009/7/25 1:41:00 Author:Jessie | From:SeekIC


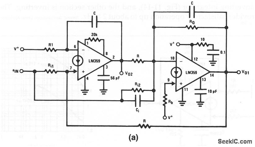
This circuit shows a Norton used as a noninverting integrator, where the output changes in accordance with a constant times that the time integral of the input. This classic op-amp circuit was originally developed to perform the mathematical operation of integration in analog computers. However, most op-amp integrators are inverting where VIN is applied to the (-) input. Pin numbers for the Norton IC are shown in Fig. 11-15.
Reprinted Url Of This Article:
http://www.seekic.com/circuit_diagram/Amplifier_Circuit/Norton_true_noninverting_integrator.html
Print this Page | Comments | Reading(3)
Code: