Published:2009/6/22 23:22:00 Author:Jessie | From:SeekIC



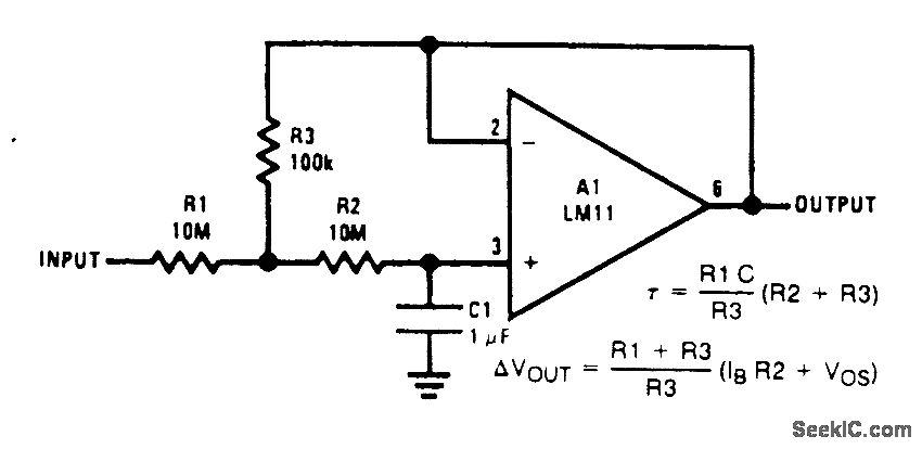
This circuit multiplies RC time constant to 1000 seconds and provides low output impedance.Cost is lowered because of reduced resistor and capacitor values.
Reprinted Url Of This Article:
http://www.seekic.com/circuit_diagram/Amplifier_Circuit/OP_AMPS_WITH_LONG_RC_TIME_CONSTANTS.html
Print this Page | Comments | Reading(3)
Code: