Published:2009/6/22 23:24:00 Author:Jessie | From:SeekIC

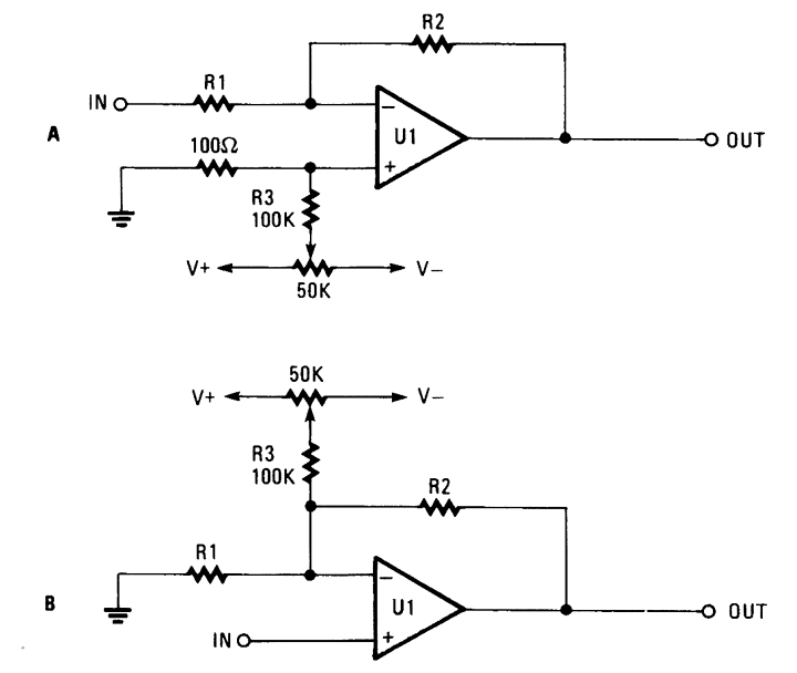
Offset problems can occur in the best of circuits (and often do) without regard to whether the circuit is inverting (A), or noninverting (B). Offset-nulling potentiometers are useful in correcting the output to zero, but their effectiveness will vary under different conditions.
Reprinted Url Of This Article:
http://www.seekic.com/circuit_diagram/Amplifier_Circuit/OP_AMP_OFFSET_NULL.html
Print this Page | Comments | Reading(3)
Code: