Published:2009/7/9 21:58:00 Author:May | From:SeekIC

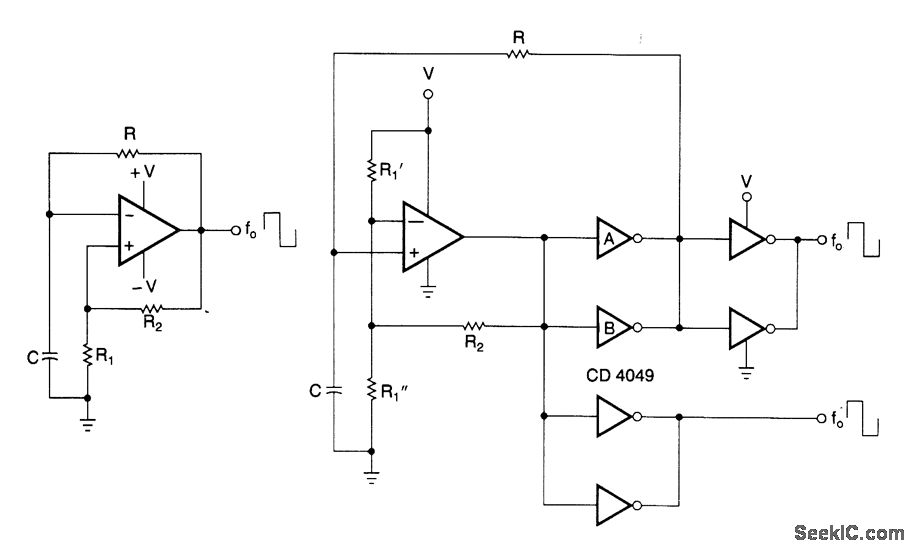
CM0S buffers added to an op amp oscillator improve performance, largely as a result of nonsymmetry and variability of the op amp's output saturation voitages.
Reprinted Url Of This Article:
http://www.seekic.com/circuit_diagram/Amplifier_Circuit/OSCILLATOR_BUFFERS.html
Print this Page | Comments | Reading(3)
Code: