Published:2009/7/13 22:45:00 Author:May | From:SeekIC

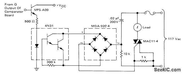
Circuit triggers 10-A triac when Q output of comparator-driven flip-flop is logic 1. LED in optoisolator is then energized, activating phototransistor pair for driving gate circuit of triac through diode bridge. Trigger voltage of triac is positive for first quadrant and negative for third quadrant, to give maximum sensitivity of triac control.-D. Aldridge and A. Mouton, Industrial Clock/Timor Featuring Back-Up Power Supply Operation,” Motorola, Phoenix, AZ, 1974, AN-718A, p 7.
Reprinted Url Of This Article:
http://www.seekic.com/circuit_diagram/Amplifier_Circuit/OUTPUT_CONTROL_FOR_CLOCK_COMPARATOR.html
Print this Page | Comments | Reading(3)
Code: