Published:2011/8/17 2:46:00 Author:Rebekka | Keyword: Optical wand amplifier | From:SeekIC

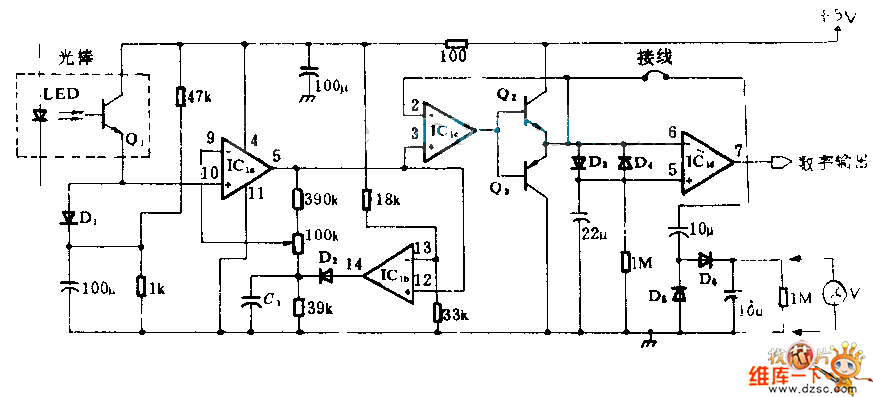
This circuit is mainly composed of light rods and four operational amplifier IC1, amplifier, and Lee silicon diode's exponential positive electrical properties can change the output of light rods into logarithmic e transformation voltage changes, its peak - peak is proportional to the white, black light currents ratio, and it has nothing to do with the absolute value. IC1b, which is the comparator, and peak detection D2-C1 clamp the output of amplifier IC1 to a fixed potential. Thus, the signal after amplification and clamping is transformed into binary digital microprocessor output. Output is compatible with TTL.
Reprinted Url Of This Article:
http://www.seekic.com/circuit_diagram/Amplifier_Circuit/Optical_wand_amplifier_circuit_diagram.html
Print this Page | Comments | Reading(3)
Code: