Published:2009/7/22 22:07:00 Author:Jessie | From:SeekIC

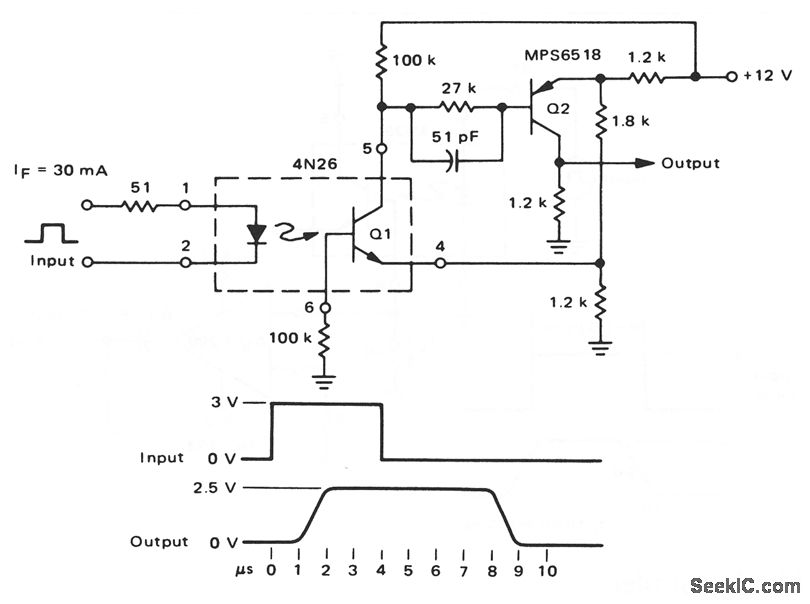
This circuit uses the 4N26 transistor as part of a Schmitt trigger. When Q1 conducts in response to an input pulse, Q2 conducts and the output is high.When the input pulse is removed from the 4N26, Q1 shuts off, and the output is low. With the values shown, the tum-off delay is about 2 μs, and the turn-off delay is about 6 ps. Speed can be improved by lowering the value of the Q1 base resistance from 100 kΩ, but the drive requirements must be increased.
Reprinted Url Of This Article:
http://www.seekic.com/circuit_diagram/Amplifier_Circuit/Optically_coupled_Schmitt_trigger.html
Print this Page | Comments | Reading(3)
Code: