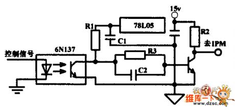
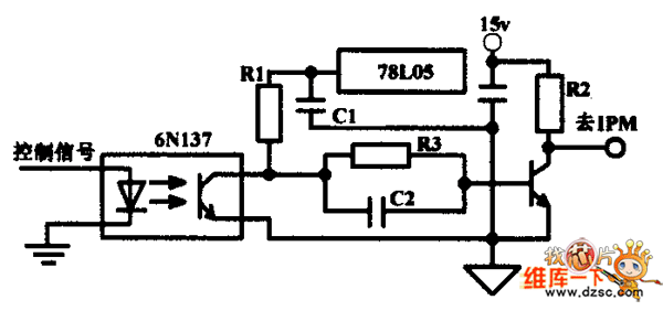
Published:2011/3/28 2:11:00 Author:Nicole | Keyword: Optoelectronic isolation, IPM drive | From:SeekIC

Reprinted Url Of This Article:
http://www.seekic.com/circuit_diagram/Amplifier_Circuit/Optoelectronic_isolation_and_IPM_drive_circuit_diagram.html
Print this Page | Comments | Reading(3)
Code: