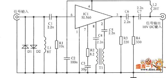
Published:2011/4/25 5:08:00 Author:May | Keyword: Ordinary VHF, antenna amplifier | From:SeekIC

Reprinted Url Of This Article:
http://www.seekic.com/circuit_diagram/Amplifier_Circuit/Ordinary_VHF_antenna_amplifier_circuit_principle_diagram.html
Print this Page | Comments | Reading(3)
Code: