Published:2009/6/24 3:35:00 Author:May | From:SeekIC

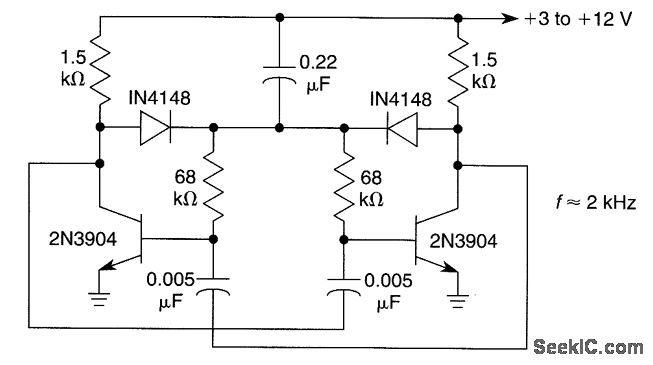
This circuit will start with a slowly rising supply voltage waveform.
Reprinted Url Of This Article:
http://www.seekic.com/circuit_diagram/Amplifier_Circuit/Other_circuit/ASTABLE_MULTIVIBRATOR_WITH_STARTING_NETWORK.html
Print this Page | Comments | Reading(3)
Code: