Published:2011/7/27 3:28:00 Author:Robert | Keyword: Gain, Program, Control, Apparatus, Amplification | From:SeekIC

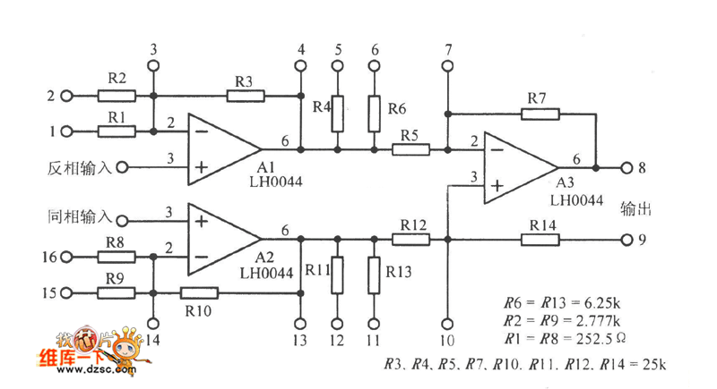
The picture shows thea gain-program-control apparatus amplification circuit.
Reprinted Url Of This Article:
http://www.seekic.com/circuit_diagram/Amplifier_Circuit/Other_circuit/A_Gain_Program_Control_Apparatus_Amplification_Circuit.html
Print this Page | Comments | Reading(3)
Code: