Published:2011/7/18 5:40:00 Author:Felicity | Keyword: Adjustable Rate Constant, Sinusoidal Frequency Oscillator, Circuit | From:SeekIC


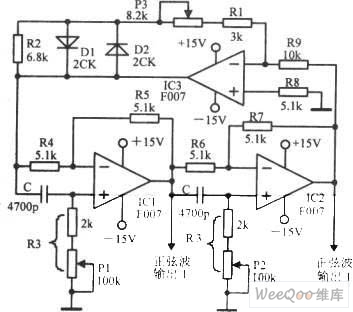
Adjustable Rate Constant Sinusoidal Frequency Oscillator Circuit is showed in the picture above.
Reprinted Url Of This Article:
http://www.seekic.com/circuit_diagram/Amplifier_Circuit/Other_circuit/Adjustable_Rate_Constant_Sinusoidal_Frequency_Oscillator_Circuit.html
Print this Page | Comments | Reading(3)
Code: