Published:2011/7/24 8:37:00 Author:Michel | Keyword: Counter Circuit | From:SeekIC

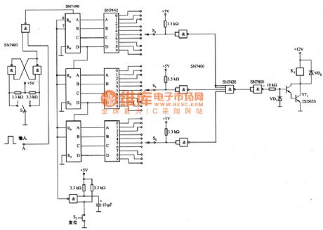
Picture 1 is counter circuit of SN7490.It is accumulating counting circuit of the pulse added to A port.Usually,it is used in counting of input pulse.S4一S6 are reset switches used in counting setting.The corresponding relay controls relative circuit action.If the time pulse shown as picture 1 is connected to A terminal and it can also constitute digital timing circuit which uses power supply frequency as benchmark.
Picture 1:Counter Circuit of SN7490
Reprinted Url Of This Article:
http://www.seekic.com/circuit_diagram/Amplifier_Circuit/Other_circuit/Counter_Circuit_of_SN7490.html
Print this Page | Comments | Reading(3)
Code: