Published:2009/7/6 20:49:00 Author:May | From:SeekIC

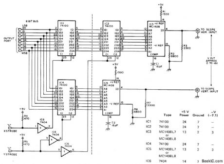
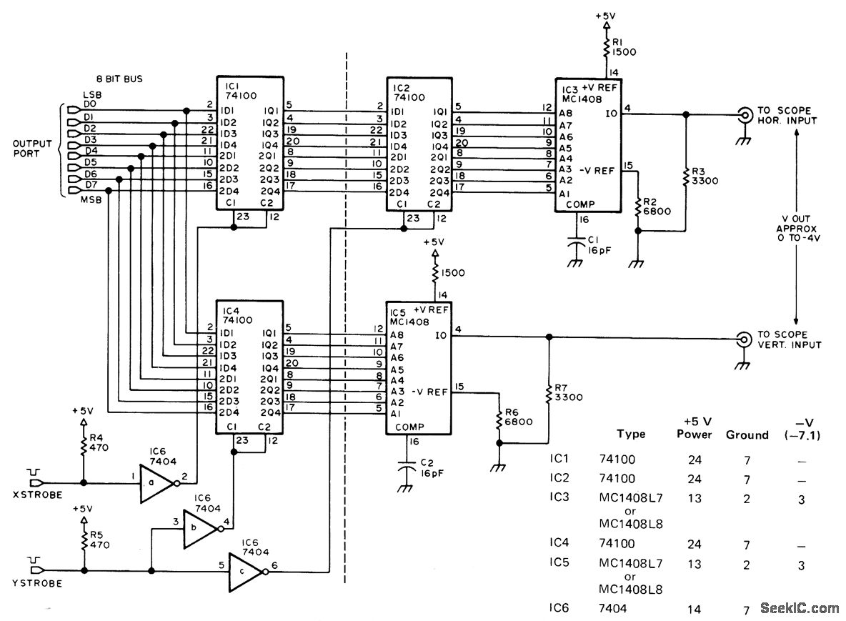
Used between computer and ordinary CRO to create images with array of 512 x 512 dots stored in computer memory. Location of each dot is specified by two voltages, for application to V and H inputs of CRO. Computer provides voltage values by outputting two binary words to pair of DACs giving voltages proportional to numerical values of words. Dot pattern is repeated many times per second to give steady nonflickering image. Dot brightness can be increased by storing in several locations so it is refreshed more often than other points. Article gives listing for Intel 8080 graphics drive program. Program pro-vides for interrupts once per scan to give key-board-controlled drawing mode,-P. Nelson, Build the Beer Budget Graphics Interface, BYTE, Nov. 1976, p 26-29.
Reprinted Url Of This Article:
http://www.seekic.com/circuit_diagram/Amplifier_Circuit/Other_circuit/GRAPHICS_INTERFACE.html
Print this Page | Comments | Reading(3)
Code: