Published:2011/7/18 10:12:00 Author:Robert | Keyword: High-Speed, Out-Phase, Amplification | From:SeekIC

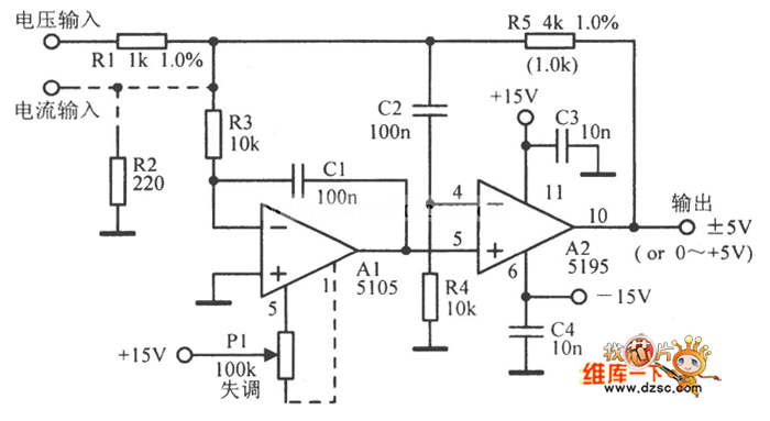
The picture shows the high-speed out-phase amplification circuit.
Reprinted Url Of This Article:
http://www.seekic.com/circuit_diagram/Amplifier_Circuit/Other_circuit/High_Speed_Out_Phase_Amplification_Circuit.html
Print this Page | Comments | Reading(3)
Code: