Published:2011/5/19 8:10:00 Author:Robert | Keyword: Instrument Amplifier, Eliminating, AC, Noise | From:SeekIC

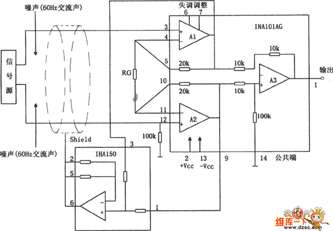
The instrument amplifier (INA101) circuit with eliminating AC noise is shown in the picture below. The amplification stage A1, A2 in the picture are chosen to use the integrated amplifier INA101, and the back stage A3 is chosen to use INA105. Also it uses the INA105 to make up the circuit like the feedbacl connection. So this would limit the power's AC noise.
Reprinted Url Of This Article:
http://www.seekic.com/circuit_diagram/Amplifier_Circuit/Other_circuit/Instrument_Amplifier_INA101_Circuit_With_Eliminating_AC_Noise.html
Print this Page | Comments | Reading(3)
Code: